
GLⅡ型散熱器
產品詳情
![]() |
|
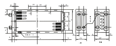
GLⅡ型為鋼制雙回路(二排)或多回路(四排)的空氣熱交換器,翅片管用Φ18×2mm無縫鋼管繞制上10×0.3mm皺折鋼帶而成,呈螺旋狀,其片距為3.2mm,可有各種表面管數,管長,排數組成多種規格。進出水管位于同一側,工質熱源為蒸汽或高溫水,冷源為低溫水或鹽水,可用作空氣加熱器或空氣冷卻器,是—種經濟耐用通用性較強的散熱器。 GLⅡ型散熱器用于造紙、化工、輕紡等企業的空調、冷卻除濕等工程。因其散熱管小,翅片密,所以效果佳。 GLⅡ型編號方法: 型號—排數—表面管數—表面管長(英寸) 如采用四排,表面管數為10,管長為42英寸時,則為GL‖-4-10-42。 |
|
| 詳細規格參數請與廠方聯系。 |

